Portfolio
Project Experience
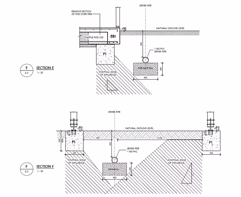
A selection of structural drafting work showcasing experience across various project types and documentation standards. All project details are anonymised to protect client confidentiality.
Quick View
Recent Work
Case Studies
Featured Projects
Representative examples of complex documentation packages delivered for engineering clients.
Have a Project in Mind?
Get in touch to discuss your drafting requirements. I'll provide a clear quote and timeline for your project.
Request a Quote



